日本語
/
ENGLISH
/
한글
/
中文(簡体)
Tweet
文字大小
标准
大
特大
背景色
白色
蓝色
黑色
首页
搜索
素材集
通知
使用条款,版权等。
联系我们
首页
/
搜索
/
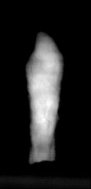
金属产品 X 射线图像
/ 细节
金属产品 X 射线图像
名称
数据编号
5-7
个人编号
29
遗迹名称
体积
说明
回到清单
打印
首页
/
搜索
/
金属产品 X 射线图像
/ 细节
Copyright 2020 世界遗产"神宿之岛"宗像·冲之岛与相关遗产群保存活用协议会 All Rights Reserved.