日本語
/
ENGLISH
/
한글
/
中文(簡体)
Tweet
文字サイズ
標準
大
特大
背景色
白
青
黒
トップページ
検索する
素材集
お知らせ
利用規約・著作権等
お問い合わせ
トップページ
/
検索する
/
金属製品X線画像
/ 詳細
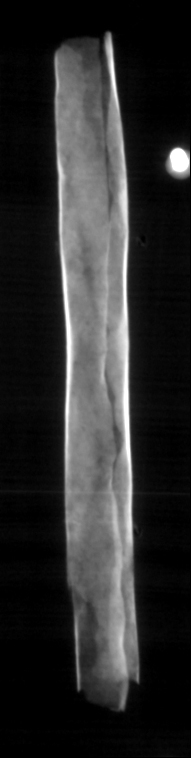
金属製品のX線画像
資料名
銅鐸
資料番号
1-20
個別番号
17
遺構名
1号遺跡
法量
最小53:縦1.9,横0.8,高さ0.6
最大22:縦5.4,横1.7,高さ1.0
説明
一覧へ戻る
印刷する
トップページ
/
検索する
/
金属製品X線画像
/ 詳細
copyright © 2020 世界遺産「神宿る島」宗像・沖ノ島と関連遺産群保存活用協議会 All Rights Reserved.