日本語
/
ENGLISH
/
한글
/
中文(簡体)
Tweet
文字サイズ
標準
大
特大
背景色
白
青
黒
トップページ
検索する
素材集
お知らせ
利用規約・著作権等
お問い合わせ
トップページ
/
検索する
/
金属製品X線画像
/ 詳細
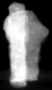
金属製品のX線画像
資料名
鉄馬具残欠
資料番号
伝-16
個別番号
8
遺構名
伝沖ノ島
法量
最小29:縦1.7,横2.7,厚0.7
最大9:縦7.3,横1.2,厚0.9,鋲幅0.5
説明
一覧へ戻る
印刷する
トップページ
/
検索する
/
金属製品X線画像
/ 詳細
copyright © 2020 世界遺産「神宿る島」宗像・沖ノ島と関連遺産群保存活用協議会 All Rights Reserved.