日本語
/
ENGLISH
/
한글
/
中文(簡体)
Tweet
文字サイズ
標準
大
特大
背景色
白
青
黒
トップページ
検索する
素材集
お知らせ
利用規約・著作権等
お問い合わせ
トップページ
/
検索する
/
金属製品X線画像
/ 詳細
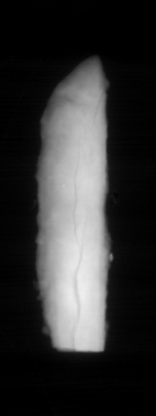
金属製品のX線画像
資料名
鉄鏃
資料番号
7-14
個別番号
49
遺構名
7号遺跡
法量
最小17(右):長1.8,切先幅0.9,関幅1.2,身厚0.5
最大8(右):長13.4,身長1.5,茎長1.8,切先幅1.0,関幅1.2,篦被幅0.9,身厚0.4,篦被厚0.7,茎径0.7
説明
一覧へ戻る
印刷する
トップページ
/
検索する
/
金属製品X線画像
/ 詳細
copyright © 2020 世界遺産「神宿る島」宗像・沖ノ島と関連遺産群保存活用協議会 All Rights Reserved.